LT1167:单电阻增益可编程精密仪表放大器的操作原理
发布日期:2026-02-05
特性
■ 单增益设置电阻器:G=1至10000
■ 增益误差:G=10,最大0.08%
■ 增益非线性:G=10,最大10ppm
■ 输入偏移电压:G=10,最大60μV
■ 输入偏移电压漂移:最大0.3μV/°C
■ 输入偏置电流:最大350pA
■ G=1:105dB时的电源抑制比最小值
■ G=1:90dB时的CMRR最小值
■ 电源电流:最大1.3mA
■ 宽电源范围:±2.3V至±18V
■ 1kHz电压噪声:7.5nV/√Hz
■ 0.1Hz至10Hz噪声:0.28μVP-P
■ 提供8针PDIP和SO封装
■ 使用两个外部5k电阻器满足IEC 1000-4-2 4级ESD测试
应用
■ 桥式放大器
■ 应变计放大器
■ 热电偶放大器
■ 差分单端转换器
■ 医疗器械
描述
LT1167是一款低功耗、精密仪器放大器,只需要一个外部电阻器即可设置1到10000的增益。7.5nV/√Hz(1kHz时)的低电压噪声不会因低功耗(±2.3V至±15V电源的典型值为0.9mA)而受到影响。
即使对于低至2k的负载电阻器(之前的单片仪表放大器的非线性规格使用10k),10ppm最大非线性和0.08%最大增益误差(G=10)的高精度也不会降低。
LT1167经过激光微调,可实现极低的输入偏移电压(最大40μV)、漂移(0.3μV/°C)、高CMRR(90dB,G=1)和PSRR(105dB,G+1)。通过使用超级贝塔处理,实现了最大350pA的低输入偏置电流。输出可以在任何增益配置下处理高达1000pF的电容性负载,而输入则具有高达13kV的ESD?;ぃㄈ颂澹?。带有两个外部5k电阻器的LT1167通过了IEC 1000-4-2 4级规范。
LT1167采用8引脚PDIP和SO封装,比分立的多运算放大器和电阻器设计需要更少的PC板面积。这些优点使LT1167成为精密仪器放大器应用中最具成本效益的解决方案。
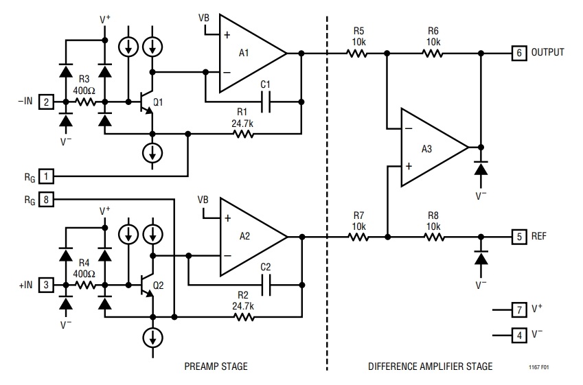
框图

图1.框图
操作原理
LT1167是三运算放大器的改进版本。激光微调和单片结构允许在指定的温度范围内对电路参数进行紧密匹配和跟踪。请参阅框图(图1)以了解以下电路描述。Q1和Q2中的集电极电流被限制以最小化偏移电压漂移,从而确保高水平的性能。R1和R2被微调到24.7k的绝对值,以确保仅使用一个外部电阻器RG即可精确设置增益(G=100时为0.05%)。RG与R1(R2)并联的值决定了前置放大器级的跨导。当RG减小以获得更大的编程增益时,输入前置放大器级的跨导增加到输入晶体管Q1和Q2的跨导。当编程增益增加时,这会增加开环增益,从而减少与输入相关的增益误差和噪声。增益大于50的输入电压噪声仅由Q1和Q2决定。在较低的增益下,差分放大器和前置放大器增益设置电阻器的噪声会增加噪声。增益带宽积由C1、C2和前置放大器跨导决定,前置放大器跨导随编程增益而增加。因此,带宽的下降并不与增益成正比。
输入晶体管Q1和Q2提供了NPN双极晶体管固有的出色匹配,以及由于超贝塔处理而产生的可控输入偏置电流。由于通过Q1-A1-R1回路和Q2-A2-R2回路的反馈,Q1和Q2中的集电极电流保持恒定,这反过来又在外部增益设置电阻器RG两端施加了输入电压差。由于流过RG的电流也流过R1和R2,因此这些比率为单位增益差放大器A3提供了增益的差分电压G=(R1+R2)/RG。A3去除共模电压,产生以REF引脚上的电压为参考的单端输出电压。所得增益方程为:

其中:

求解增益设置电阻器给出:

输入和输出偏移电压
LT1167的偏移电压有两个分量:输出偏移和输入偏移。输入端的总偏移电压(RTI)是通过将输出偏移除以编程增益(G)并将其与输入偏移相加得到的。在高增益时,输入偏移电压占主导地位,而在低增益时,输出偏移电压占优势。总偏移电压为:
总输入偏移电压(RTI)=输入偏移+(输出偏移/G)
总输出偏移电压(RTO)=(输入偏移?G)+输出偏移
参考终端
参考端子是差分放大器周围四个10k电阻器之一的一端。LT1167(引脚6)的输出电压参考参考端子(引脚5)上的电压。必须将与REF引脚串联的电阻降至最低,以实现最佳共模抑制。例如,a 2? 从REF引脚到地的电阻不仅会使增益误差增加0.02%,还会将CMRR降低到80dB。
单电源操作
对于单电源操作,REF引脚可以与负电源(引脚4)处于相同的电势,前提是仪表放大器的输出保持在指定的工作范围内,并且其中一个输入至少高出地2.5V。本数据表首页的晴雨表应用程序就是一个满足这些条件的示例。从电桥传感器到地的电阻Rb设置电桥的工作电流,并且还具有提高输入共模电压的效果。LT1167的输出始终在指定范围内,因为大气压力很少缓慢到足以导致输出到轨道(30.00英寸水柱对应3.000V)。对于需要输出在REF电位或以下摆动的应用,REF引脚上的电压可以进行电平移位。运算放大器用于缓冲REF引脚上的电压,因为寄生串联电阻会降低CMRR。本数据表后面的应用程序“四位压力传感器”就是一个例子。
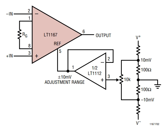
输出偏移微调
LT1167经过激光微调以实现低偏移电压,因此大多数应用不需要外部偏移微调。如果需要调整偏移,图2中的电路是可选偏移调整电路的示例。运算放大器缓冲器为REF引脚提供低阻抗,必须将电阻保持在最小值,以获得最佳CMRR和最低增益误差。

图2:输出偏移电压的可选微调
输入偏置电流返回路径
LT1167的低输入偏置电流(350pA)和高输入阻抗(200G)?) 即使在需要全共模范围的情况下,也允许使用高阻抗源而不会引入额外的偏移电压误差。然而,当放大纯微分信号时,必须为两个输入的输入偏置电流提供路径。如果没有这条路径,输入将浮动到任一轨道,并超过LT1167的输入共模范围,导致输入级饱和。

图3:提供输入共模电流路径
图3显示了输入偏置电流路径的三个示例。第一个例子是10k的纯差分信号源? 输入电流路径接地。由于信号源的阻抗较低,因此只需要一个电阻器。如第二个示例所示,高阻抗信号源需要两个匹配的电阻器。平衡输入阻抗可以提高共模抑制和直流偏移。如果如第三个示例所示存在中心抽头,则不需要输入电阻器。
